Jesi li ti naš novi Tehničar za elektro instrumentaciju?

Ispuni kviz i saznaj čeka li te bolji posao kod nas!
Mjesto rada:
Rakitovec (Industrijska zona Velike Gorice)
KRENI NA PITANJA

Prosječno trajanje kviza: do 2 minute

Podijeli s prijateljima:

OXY Technical Gases d.o.o. je hrvatska kompanija osnovana kao zajednički pothvat (joint venture) između vodećih talijanskih tvrtki u području proizvodnje tehničkih, industrijskih i medicinskih plinova, SIAD Group i SOL Group. PROČITAJ VIŠE

1

Koja je tvoja najviša završena razina obrazovanja? Obavezno

2

Napiši svoju struku ili smjer koji si završio/la: Obavezno

3

Možeš li nam, ukratko i jasno, ispričati što si radio/la na prethodnom poslu ili što trenutačno radiš?
(Nije obavezno, ali voljeli bismo te bolje upoznati 🙂)

4

Koliko imaš ukupno godina radnog staža? Obavezno

5

Koliko godina radnog iskustva imaš na poslovima održavanja elektro opreme i instrumentacije? Obavezno

6

Označi područja u kojima imaš praktično iskustvo: Obavezno

7

Ako si u gornjem pitanju odgovorio 'Ostalo', molimo napiši više o svom iskustvu:

8

Kako bi dijagnosticirao kvar na senzoru tlaka koji ne pokazuje očitanje? Obavezno
(Označi sve korake koje bi odradio/la)

9

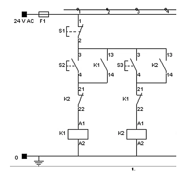
U nacrtu logike releja, koja je funkcija normalno otvorenog (NO) kontakta? Obavezno

10

Pogledajte nacrt, koja komponenta predstavlja komandu za zaustavljanje (isključivanje)? Obavezno

11

Kako biste spojili 2-žični (pasivni) transmiter tlaka na pasivni analogni ulaz PLC-a? Obavezno

12

Koliko često si sudjelovao u preventivnom održavanju opreme u prethodnim poslovima? Obavezno

13

Jesi li spreman/na raditi u pripravnosti (dostupni za intervencije izvan redovnog radnog vremena)? Obavezno
(Pripravnost uključuje mogućnost poziva u bilo koje doba dana izvan radnog vremena u slučaju kvara ili hitne potrebe)

14

Jesi li spreman sudjelovati u dodatnim obukama i usavršavanjima koje tvrtka organizira? Obavezno

15

Kod nas se radi u dvije smjene. Odgovara li ti to? Obavezno

16

Posjeduješ li vozačku dozvolu B kategorije? Obavezno

17

Naš proizvodni pogon se nalazi se u📍Rakitovcu (Industrijska zona Velike Gorice). Odgovara li ti lokacija? Obavezno

18

Koji iznos neto primanja bi te potaknuo da postaneš dio našeg tima?
(Neto primanja su iznos koji sjeda na tvoj račun)

19

Ime i prezime Obavezno
E-mail Obavezno
Kontakt broj Obavezno
Grad

Copyright © 2023-2025, Adverbilla. Sva prava pridržana.